-
zhigalov
-
( Пользователь )
-
-
Вне сайта
- Сообщений: 1441
-
Репутация: 202
-
|
Виталик, попробую, если дела позволят! Вчера с перепугу словил RX15RX и даже обменялся рапортами (ну мне так показалось), поискал инфо, оказалось Приморье.
|
|
|
-
UU7JF
-
( Модератор )
-
-
Вне сайта
- Сообщений: 3112
-
Репутация: 288
-
|
RW3DF пишет:
В приложении еще одна его разработка -2014 года. В качестве входного смесителя опять используется выходной двухтактный каскад, это уже схема супергетеродина. Все же смеситель во второй схеме на двухзатворном полевике, а УМ просто транслирует входной сигнал через небольшую емкость.
А в первой схеме действительно двухтактный УМ-смеситель, надо бы эту схемку попробовать. И вот как раз первый каскад УНЧ - низкоомный, с общей базой, думаю, немец хорошо отработал эту схему, чешутся руки ее препарировать
|
|
|
-
UU7JF
-
( Модератор )
-
-
Вне сайта
- Сообщений: 3112
-
Репутация: 288
-
|
zhigalov пишет:
Вчера с перепугу словил RX15RX и даже обменялся рапортами (ну мне так показалось), поискал инфо, оказалось Приморье. Да, делись результатами давай чаще, я весь изнервничался  Путь ты, конечно, выбрал на редкость самый извращенно-мазохистсический минималистично-утонченный, но тем ценней любые результаты. Вот что бывает, с теми кто становится коротковолновиком глубоко за сорок
|
|
|
-
zhigalov
-
( Пользователь )
-
-
Вне сайта
- Сообщений: 1441
-
Репутация: 202
-
|
UU7JF пишет:
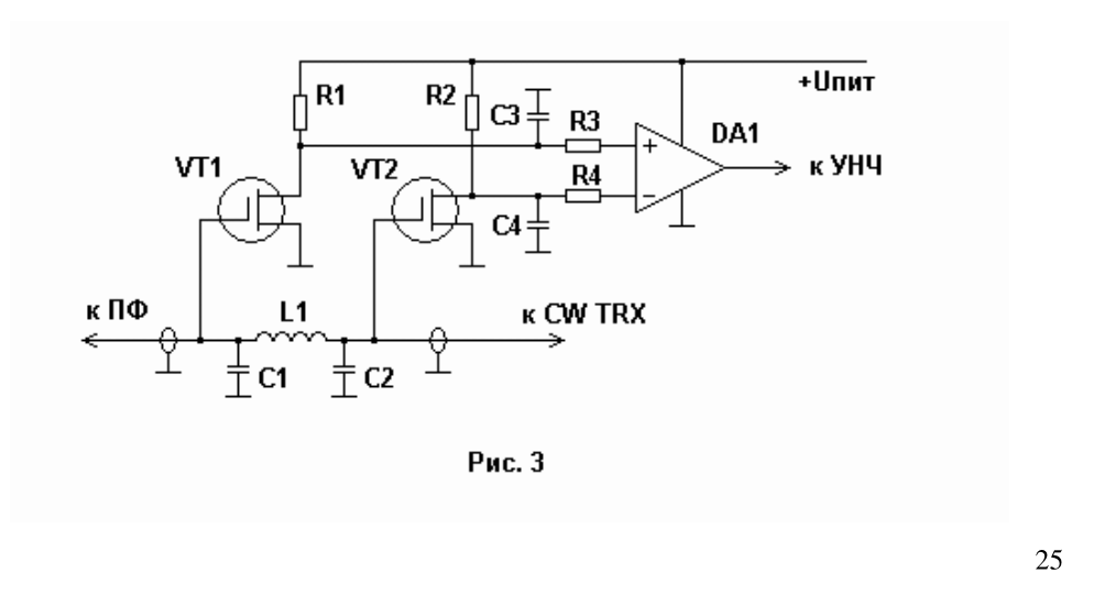
По поводу такого смесителя я бы сказал (в чем ты и убедился закорачивая его маленьким но конечным сопротивлением), что у него низкое сопротивление (и входное и выходное), по входу оно благодаря трансу составляет примерно 12 Ом. Желательно и входное сопротивление и ФНЧ и УНЧ сделать такого же порядка, что уменьшит всякие наводки (в ФНЧ кандеры будут уже чуть ли не по несколько мкФ, но сейчас с СМД такими проблем нет набрать из одномикрофарадных). Да, низкоомный смеситель потребует большего усиления по НЧ, но у нас с этим проблем нет. Вобщем, я думаю, неплохо бы в УНЧ первый каскад с общей базой поставить, да и в ФНЧ катушки будут иметь меньшую индуктивность, что облегчит их изготовление. Возможно эти меры улучшат "фоновую" картину.
Напомню, что в ППП с диодными смесителями мы наоборот старались повысить сопротивление и входного фильтра, и смесителя, и УНЧ.
Но в данном случае мы имеем мощный ключевой смеситель с мощным гетеродином (что улучшает еще и динамический диапазон приемника) и завышать сопротивление в данном случае нет необходимости.
Вот мне кажется надо бы в этом направлении провести эксперименты
Как обычно, только я зацепил краешком какую-то схему, приходится разбираться в теории, а лень. Входное и выходоре сопротивление и согласования всегда были у меня слабым местом. Буду прокачивать как-то. Пока что поставил второй каскад ФНЧ примерно такой же, что и первый, что немного ослабило дальние от диапазона станции.
Не перепаивая УНЧ, пробовал играться дросселем гетеродина и убирать фон 50 Гц, но при этом падает и громкость и мощность при передаче. Примерно тот же эффект при уменьшении емкости переменника в кварце - до нижего предела. Видимо, действительно, уменьшается мощность гетеродина, меньше идёт сигнал при приеме в антенну, и меньше фон. Вот бы научиться как-то компенсировать входную емкость смесителя. Куда бы воткнуть индуктивность?
|
Последнее редактирование: 16 Авг 2017 21:22 от zhigalov.
|
-
zhigalov
-
( Пользователь )
-
-
Вне сайта
- Сообщений: 1441
-
Репутация: 202
-
|
RW3DF пишет:
Привет, Влад! Мои поздравления с первым корреспондентом by cw. Я помню своего первого - приятель дал поработать его позывным и я позвал на 20м австрийца. Имя уже не помню, но qth - Voecklabruck помню до сих пор. Принимаю , пишу, а он все передает и передает свой длиннющий qth!!! Но я все-таки его принял правильно. А дальше - просто надо регулярно работать тлг и все придет в норму. Главное -не забрасывать. А чтобы был интерес - заведи учет сработанных областей, стран. Сразу и азарт появиться.
Теперь по поводу щелчков - надо или на время передачи снимать питание с УНЧ через транзисторный ключ или разрывать сигнальную цепь перед УНЧ(см. приложение) SW-40+). Или замыкать вход УНЧ транзисторным ключем на землю. И,наконец, самое простое решение - отключать с помощью реле от наушников и подключать их к генератору самоконтроля. Это можно сделать быстро. И начать активно работать в эфире. А потом искать другое решение - более электронное, чем реле.
Сергей RW3DF
Сергей, спасибо! Я обычно муками выбора очень мучаюсь, а с простыми схемами сплошные такие муки - или наворотить всяких прибамбасов, и тогда уже не минимализъм, или пользоваться тем что вышло, а как же удовольствие...
С щелчками - вход УНЧ (точнее ФНЧ) сейчас на землю по схеме замыкается, собственно с таким замыканием и придется теперь бороться. С 4 В до 0 получается перепад. Если вводить релюшку, тогда развязываются руки много для чего ). Но - минимализъм!
|
|
|
-
UU7JF
-
( Модератор )
-
-
Вне сайта
- Сообщений: 3112
-
Репутация: 288
-
|
zhigalov пишет:
Вот бы научиться как-то компенсировать входную емкость смесителя. Куда бы воткнуть индуктивность? Очень много над этим Тимофеич работал, есть интересные решения в том числе и для однотактного смесителя, кажется в каком-то CQ-QRP. Ну и стоит посмотреть в сторону несколько менее бюджетного, но высокочастотного полевика из серии RD16
Но сильно не увлекайся, как правило, усложнение простых схем до добра не доводит, так что обязательно конструкторскую работу совмещай с эфирной
|
|
|
-
zhigalov
-
( Пользователь )
-
-
Вне сайта
- Сообщений: 1441
-
Репутация: 202
-
|
RW3DF пишет:
Приложения не ушли. Пробую еще.
ОК, буду курить современные схемы, спасибо!
|
|
|
-
zhigalov
-
( Пользователь )
-
-
Вне сайта
- Сообщений: 1441
-
Репутация: 202
-
|
Полистал подшивку CQ-QRP - нашёл интересную схему Тимофеича в #26 - квадратурный смеситель на встречных волнах:
Суть в том, что два плеча смесителя расположены по сторонам П-контура и таким образом срабатывают в противофазе (входной сигнал с одной стороны запаздавает на 90 град, гетеродинный - с другой стороны еще на 90 град). Надо попробовать.
Есть соответствующая статья в Радио 2000/8 и пара страниц в "Радиолюбителям о технике прямого преобразования" 1990 г. (стр. 102-103).
|
|
|
-
UU7JF
-
( Модератор )
-
-
Вне сайта
- Сообщений: 3112
-
Репутация: 288
-
|
Влад, учитывая что у тебя и так много транзисторов в УМ, имеет смысл просто попробовать двухтактную схему, скажем по два транзистора в каждом плече. Надо будет только сделать входной транс двухтактынй и выходной на колечках, для входного совсем маленькое подойдет. Сложности особой нет, если что подскажу.
|
|
|
-
UT5NM
-
( Пользователь )
-
-
Вне сайта
- Сообщений: 1136
-
Репутация: 91
-
|
Ну никак не могу понять - а чего вы оба маетесь в поисках непонятно кем предложенных "горбатых" схем?! Ведь среди нас находится скромный, но очень талантливый конструктор и Радист Дима, UR4MCK. Самой простой его разработкой стала доведенная до уровня готового изделия идея Тимофеича под названием "Полевик". Вот полностью рабочая схема, даже с проставленными номерами деталей по критерию минималистического контеста MAS:
Автор все время на Сайте, можно получить консультацию о возможностях перевода ТРХ на притание от LiPO 4.2 вольта и т.п. Да и в CQ_QRP №13 агрегат расписан для самых начинающих.
А вот еще одна его конструкция под загадочным названием "90 мВт", с которой мне удалось сработать в "Сделай Сам". Она даже переведена известным конструктором YL2GL на СМД детали, есть проверенная печатка: yl2gl.ucoz.net/news/pechatnaja_plata_na_...r4mck/2012-07-05-113
Если так тянет именно на минималистические ТПП, то надо делать эти проверенные в наших QRP Играх конструкции и получать удовольствие от пайки и работы в эфире. От второго по крайней мере стараться получить удовольствие, ибо на мой взгляд сразу половина телеграфного участка в ушах удовольствие весьма сомнительное...
|
|
|
|